Überblick
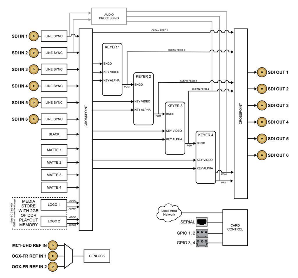
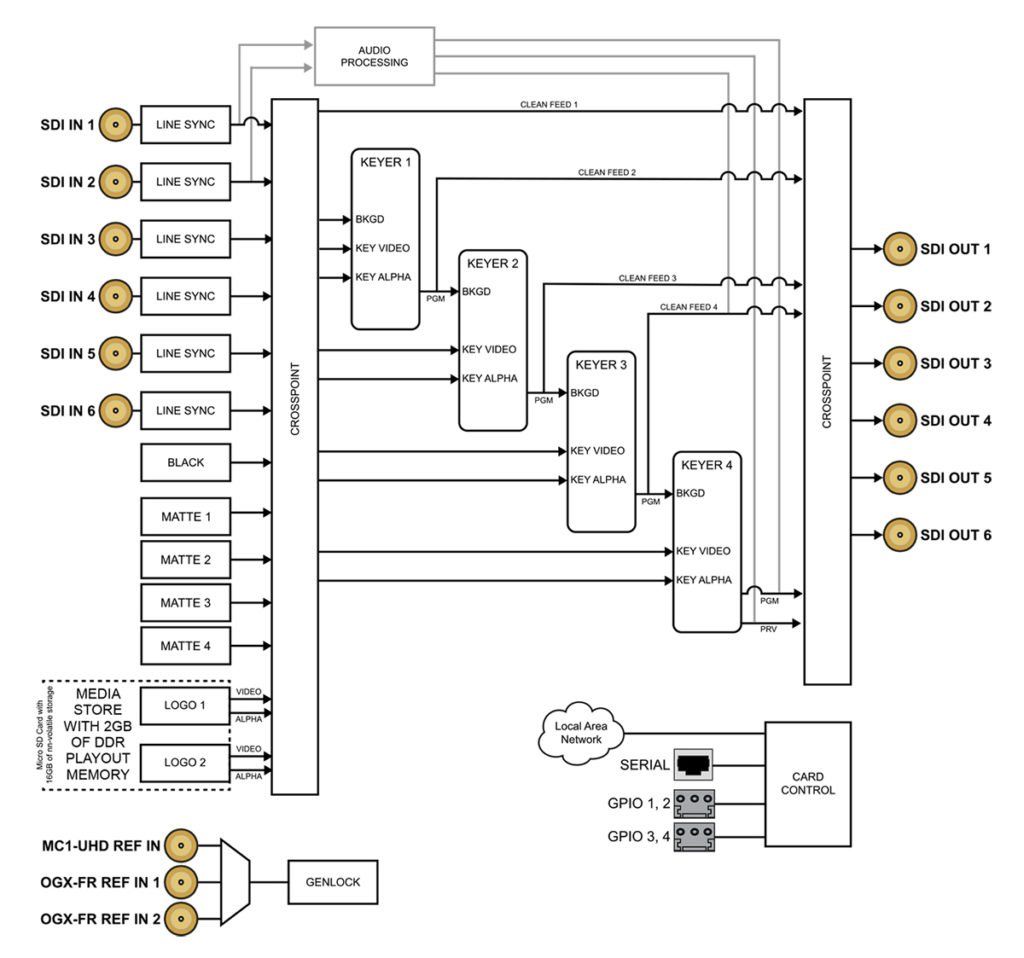
Hochwertige 4K-Mastersteuerung und Branding sind mit MC1 UHD jetzt erschwinglich. Angepasst an das leistungsstarke MC1-System unterstützt der MC1 UHD HD- und UHD-Workflows und skaliert vom Standalone-Branding bis hin zu Mehrkanal-Mastersteuerungsinstallationen. Er lässt sich leicht an manuelle oder automatisierte Steuerung anpassen. Der MC1 UHD bietet Ihnen Sicherheit, indem er Ihre Keying- und Branding-Anforderungen in Master-Control- und Playout-Workflows erfüllt. Integrieren Sie den MC1 mit dem von Ihnen gewählten Automatisierungssystem, Router und Grafiksystem mit einer Vielzahl von Steuerungs- und Medienübertragungsprotokollen.
nach Oben
Die intuitive DashBoard-Bedienung ermöglicht einen einfachen Übergang und bringt die Bediener schnell auf den neuesten Stand.
MC1 UHD wird in das robuste openGear®-Gehäuse eingebaut. Einfache Skalierungslösungen ermöglichen zusätzliche openGear®-Karten; fügen Sie einen zusätzlichen Kanal durch Hinzufügen eines zweiten MC1-MK-4GB hinzu oder fügen Sie eine Vielzahl zusätzlicher Funktionen wie Loudness Processing, Dolby™ Encoding und Nielsen Watermarking hinzu.
Wenn Sie ein qualitativ hochwertiges HD oder UHD mit niedriger Latenz, mehreren Keyern, Logo-Speicher und 24/7-Zuverlässigkeit benötigen, ist der MC1 UHD die ideale Lösung.
Funktionen
Video-Funktionen
nach Oben
- Videoformate HD (720p / 1080i) und 3G (1080p) und UHD (2160p)
- Hintergrund A/B-Mix
- 4 Keyer
- 2 Externe Schlüssel/Fülleingaben
- 2Animierte Logo-Generatoren
- Fade to Black
Audio-Funktionen
- Audio-Zuführung
- Audio-Verstärkung / Invertierung
Steuerung und Integration
- Rosslinq-Schnittstelle zu XPression LiveCG
- Unterstützung für Ultrix-Router
- Automatisierungsunterstützung über Presmaster-Protokoll
- RossTalk
- GPI
- DashBoard-Steuerung
Zuverlässigkeit
- Bis zu 10 Kanäle in einem openGear-Rahmen
- 5 Jahre Garantie
Bestellinformationen
UHD 4K Master Control Switcher
nach Oben
MC1-UHD
UHD UHD Master Control Switcher
Hinteres Modul-Suffix (z.B.: [Modell]-R2)
GATOR-2-SLOT
2-Slot-Rückseitenmodul-Option für OGX-Rahmen
GATOR-4-SLOT
4-Slot-Rückseitenmodul-Option für OGX- und OG3-Rahmen
Mehr Informationen:
Rufen Sie uns an:
oder



