Überblick
Die Gator Toolbox ist Ihr benutzerfreundlicher und umfassender Problemlöser für die UHD-Signalumwandlung in einem modularen openGear-Formfaktor. Die Gator Toolbox bietet Ihnen ein beruhigendes Gefühl der Sicherheit, indem sie Ihre Signalkonvertierungsanforderungen in Broadcast-, Produktions- und Live-Event-Workflows erfüllt, in denen UHD, HDR und WCG mit niedriger Latenz und hoher Qualität erforderlich sind. Das Herzstück der GATOR-TOOLBOX ist ein hochwertiger, Formatkonverter mit optionaler Bildraten-Standardkonvertierung.
nach Oben
Die Gator-Toolbox ist für den anspruchsvollen Audio-/Videoproduktions-Profi gedacht, der Qualität, Zuverlässigkeit und die Zuversicht sucht, jedes eingehende Signal problemlos an die Anforderungen seines UHD-Workflows für Broadcast, Produktion oder Live-Events anpassen möchte. Intuitive Steuerung mehrerer Gator UHD-Toolbox-Karten mit einem einzigen Ultritouch-Systemkontroll- und -überwachungs-Touchpanel, das in einem Rackmount 2RU-Formfaktor erhältlich ist.
Die Gator Toolbox ist die Geschäftslösung der Wahl, da sie UHD-Verarbeitung mit hoher Dichte zu einem äußerst wettbewerbsfähigen Preis bietet.
Die Gator Toolbox löst Any-to-Any-Konvertierungsprobleme!
- Behandeln Sie in mobilen Anwendungen jedes Signal mit Leichtigkeit - Gator Toolbox begrüßt das Unerwartete!
- Bei Ingest-Anwendungen kann ein Feed als 720p50, SDR/BT.709 geliefert werden, aber die Produktion beträgt 2160p59.94, HDR/WCG
- In Übertragungsanwendungen, Abwärtskonvertierung von UHD in ein beliebiges Format
- Intuitive Steuerung und Überwachung über Dashboard™ und Ultritouch™ Smart Panel
- Unterstützt vom legendären Ross Support
Funktionen
High-Density-Design - Bis zu 10 Karten pro oGx-Rahmen
nach Oben
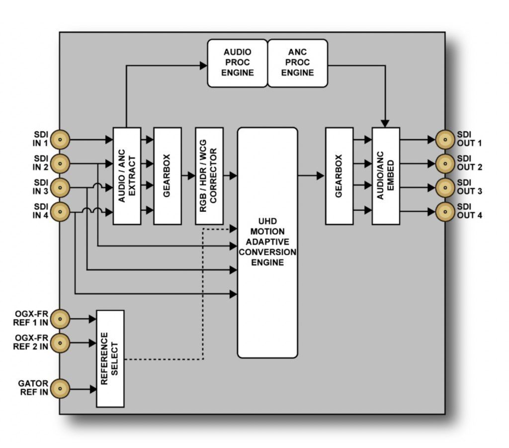
- HD / 3G / 12G-SDI Eingang und Ausgang
- Einzelner Link / SQD / 2SI Eingang und Ausgang
- 4 GPIO
- Referenz-Eingabe
- 2160p @ 50/59.94
- 1080p @ 23.98/24/25/29.97/30/50/59.94
- 1080i @ 50/59.94
- 720p @ 50/59.94
Audio-Verarbeitung
- Unterstützung der Audioverarbeitung (Summe, Verstärkung, Stummschaltung, Ton, src)
- Vollständige Audio-Zuführung 128×128
- Dolby®-Loop-Through
Verarbeitung von Zusatzdaten
- ST 352 VPID Einfügen und Übersteuern
Hochqualitative adaptive Video-Verarbeitung mit linearer Bewegung
- Hochwertige Up-/Down-/Cross-Konvertierung
- Fortgeschrittenes bewegungsadaptives Deinterlacing
- Trittfrequenz-Erkennung
- Optionale lineare Bildfrequenz-Standardkonvertierung
- Rahmen-Synchronisierer
- Quad-Link-Getriebe in + out 2SI und SQD
- HDR EOTF Neuzuordnung (PQ / HLG / SLOG3 / SDR)
- BT.709 / BT.2020 WCG-Umwandlung
- RGB-Farbkorrekturen/Proc-Amps
- Generierung von Testpattern
Steuerung
- Vollständige Konfiguration, Einrichtung und Überwachung über DashBoard™
- Steuerung über Ultritouch-Unterstützung
Anwendungen
Bei vielen Anwendungen wie Ingest und Flypacks muss man bereit sein, sich an die verschiedenen Signalformate anzupassen, die unerwartet am Eingang einer SDI-Signalkette auftauchen. Beispielsweise kann eine Einspeisung als 720p50 eingehen, aber die Produktion beträgt 2160p59, oder das Signal muss eine lange Strecke vom LKW zum Flypack zurücklegen, weshalb eine optische Verkabelung bevorzugt wird. In ähnlicher Weise erfordern einige Übertragungsketten angesichts der Anforderungen dieses Dienstes eine Abwärtskonvertierung vom UHD- in ein HD-Format. Die Gator UHD Toolbox ist ein umfassender Problemlöser für die UHD-Signalkonvertierung. In Kombination mit Ultritouch vereinfacht die Gator UHD Toolbox die UHD-Videoverarbeitung und bringt Benutzerfreundlichkeit in die UHD-Videoverarbeitung mit hoher Dichte auf modularer Architektur.
Keine Sorge - Gator Toolbox löst Any-to-Any-Konvertierungsprobleme!
nach Oben
Auf den Punkt gebracht
- Was wäre, wenn Sie zwischen HD und UHD konvertieren müssten? Ja, natürlich.
- Und wenn Sie Audio-Shuffle & Proc durchführen müssen? Ganz einfach!
- Quad-Link zu/von 12G-SDI SQD oder 2SI? Kein Problem!!
- Standards von 50Hz auf 59,94Hz konvertieren? JA!!!
- Proc-Verstärker, Farbkorrektur, Region of Interest, SDR/HDR und mehr!
Keine Sorge - Gator Toolbox löst Any-to-Any-Konvertierungsprobleme!
Bestellinformationen
GATOR-TOOLBOX-PKG
nach Oben
All-in-one UHD up/down/cross, HDR-Konvertierung, Keying und Branding, Frame-Synchronisation für UHD-Workflows über 12G-SDI. Dieses Paket bestand aus der Gator-Hauptplatine, dem Rear-Modul und der GATOR-TOOLBOX-Softwarelizenz.
GATOR-FRC-LIZENZ
Bildfrequenzkonvertierungs-Software-Lizenz für GATOR-TOOLBOX
Mehr Informationen:
Rufen Sie uns an:
oder






