Überblick
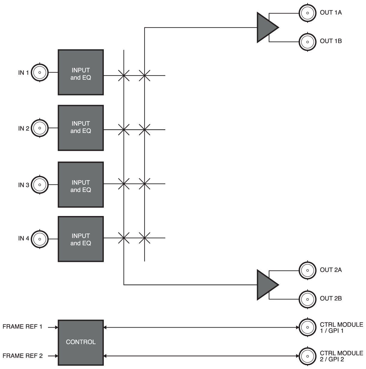
Der AVS-8764 kann als ein Paar unabhängiger 2×1-Schalter oder als ein Paar 4×1-Schalter mit gemeinsamen Eingängen konfiguriert werden. Der AVS-8764 akzeptiert analoges Video oder AES / EBU-Audio mit der Option von unsymmetrisch 75Ω oder symmetrisch 110Ω. Alle Schalter werden im vertikalen Intervall ausgeführt und auf eine externe Referenz getaktet. Jeder Schalter kann lokal an der Kartenkante durch ein optionales Steuermodul RCM-8120 oder durch GPI gesteuert werden. DashBoard und optionale SNMP-Überwachung ist für Eingangsanwesenheit, Referenzanwesenheit und Ausgangsstatus vorgesehen.
nach Oben
Der AVS-8764 kann auf einem gemeinsamen Steuersystem mit dem DSS-8224 kombiniert werden, um mehrstufige analoge Video-, AES-Audio- und HD/SD-SDI-Umschaltung durchzuführen.
Funktionen
- Duale 2×1- oder 4×2-Modi
- 2 Schalter auf einem Modul
- Analog-Video oder AES-Audio
- 20 2×1 / 10 4×2 Schalter in 2HE
- Konfigurierbar als 4×2-, 4×1-, 2×1- oder dualer 2×1-Schalter
- 2 auswählbare rahmenbreite Referenzen
- Vertikale Intervall-Umschaltung mit Zeitsteuerung auf externe analoge Videoreferenz
- Fernsteuerungsmodule können 10 Schalter steuern
- Klammermodus für Video an allen Eingängen
- Auswahlindikatoren auf der Vorderseite der Karte
- Flexible Steuerung, Remote-Modul RCM-8120, GPI, Kartenrand
- 5 Jahre übertragbare Garantie
- Leistung: 2,2 Watt
Bestellinformationen
- AES / Analog Video Dual 2×1 oder 4×2 Umschalter
- AVS-8764 AES / Analog-Video-Umschalter
- Hinteres Modul-Suffix (z.B.: [Modell]-R2)
- R2A Unausgeglichene AES / Analog-Video-Rückseite Modul oder AVS-8764
- R2B Ausbalanciertes AES-Rückseitenmodul für AVS-8764
Mehr Informationen:
Rufen Sie uns an:
oder





